葉輪直徑大、轉速快,礦漿和藥物攪拌能力強;
攪拌能力的增強,使礦漿和藥物循環能力也得到加強;
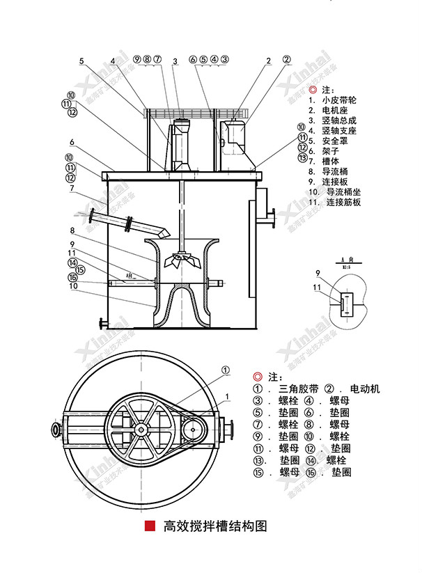
攪拌槽中有一個導流體,較大的負壓縮小在有限空間內,加速了抽吸能力,使藥礦循環能力更強,又增加了抽吸能力和循環能力;
導流體下部設有噴射體,藥礦的循環能力更進一步加強,有利于提高浮選指標。
高效攪拌槽主要用于浮選作業前的礦漿攪拌,使藥劑與礦漿充分混合。也可用于化工、建材行業料漿攪拌及氰化工廠、污水處理廠等工業部門。

高效攪拌槽工作原理為:礦漿在葉片葉輪的旋轉作用下,沿軸向從葉輪下端排出,在葉輪腔形成負壓,使礦漿從葉輪上面流入葉輪腔加以補充。同時,在穩流板的導流作用下,礦漿在槽內形成中心向下、四周向上的垂直循環流。當礦漿的上升流速度大于礦粒的沉降速度時,礦漿中的礦粒便呈懸浮狀態,并保持均勻的濃度。

廣西某金礦選礦廠在調漿加藥過程中采用了傳統的漿式攪拌槽,攪拌力不強,礦漿繞豎軸回轉藥劑混合不均,葉輪磨損快。后來在咨詢過鑫海礦業后,鑫海為其推薦了高效攪拌槽,該設備傘形葉輪直徑大、線速度大,使藥劑調和均勻,能耗比漿式攪拌槽節約24%,藥劑消耗節省約20%,浮選指標較之前顯著提高。葉輪采用聚氨酯材料,耐磨性能較強,在該廠取得了滿意的效果。
| 型號 | 有效容積(m3) | 葉輪轉速(r.p.m) | 葉輪直徑(mm) | 電機型號 | 電機功率(kw) | 重量(kg) |
|---|---|---|---|---|---|---|
| GBJ-1000X1000 | 0.58 | 530 | 240 | Y112M-6 | 2.2 | 548 |
| GBJ-1250X1250 | 1.15 | 350 | 240 | Y100L2-4 | 3 | 820 |
| GBJ-1500X1500 | 2.2 | 320 | 420 | Y132M2-6 | 5.5 | 1350 |
| GBJ-2000X2000 | 4.4 | 240 | 560 | Y160M-6 | 7.5 | 3173 |
| GBJ-2500X2500 | 9.2 | 272 | 560 | Y180L-6 | 15 | 3939 |
| GBJ-3000X3000 | 19.1 | 220 | 700 | Y225S-8 | 18.5 | 6676 |
| GBJ-3500X3500 | 31 | 248 | 700 | Y225M-8 | 22 | 7581 |
| GBJ-4000X4000 | 45 | 153 | 1000 | Y250M-8 | 37 | 9560 |
您可以在下面表格填寫您的需求信息,我們的技術與銷售人員會盡快與您取得聯系。為保證能及時處理您的信息,請務必準確填寫您的聯系電話!